CA-IS3211SCWG
Active
6A Sink/5A Source, Opto-Compatible Single-Channel Reinforced Isolated Gate Driver
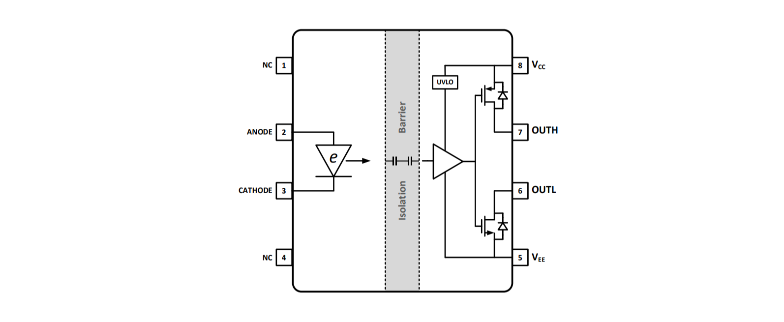
The CA-IS3211 devices are a family of single-channel, optocompatible reinforced isolated gate driver capable of sinking 6A and sourcing 5A currents. These devices operate with dual supplies or a single supply of 14V to 30V wide voltage range of VCC - VEE, making them ideal to drive power MOSFET, IGBT or silicon-carbide (SiC) transistors in various inverter, motor control or isolated power supply systems. The CA-IS3211 can be configured as low-side and high-side drivers. The CA-IS3211Sx offers dual separate output terminals: OUTH and OUTL. The driver output is pulled to low state to turn-off external power transistors when VCC supply input is either not powered, open-circuit or in UVLO. All devices have integrated digital galvanic isolation using Chipanalog’s proprietary capacitive isolation technology and feature isolation with a withstand voltage rating of up to 7.5kVRMS for 60 seconds and minimum common-mode transient immunity (CMTI) of 100kV/μs. These devices can be used as drop-in replacement for the industry standard optocoupler-based gate drivers while providing high CMTI, low propagation delay, small pulse width distortion and small part-to-part skew. The input stage is an analog diode which means long term reliability and excellent aging characteristics.
The CA-IS3211 devices are available 8-pin super wide-body SOIC packages, all devices are rated for operation at junction temperatures of -40°C to +150°C.
-
Features
6A Peak Sink Current and 5A Peak Source Current
13V to 30V Output Side Wide Power Supply
Support Rail to Rail Output
Up to 7V Reverse Voltage on Input-stage, Interlock
Matching Propagation Delay
70ns Propagation delay (typical)
25ns Part to part propagation delay matching(maximum)
35ns Pulse width distortion(maximum)-40°C to +150°C Operating Junction Temperature Range
Robust Galvanic Isolation
High lifetime: >40 years
Up to 7.5kVRMS isolation rating for the super wide-body packages
Common-mode transient immunity (CMTI) > ±100kV/μsPackage options
8-pin super wide-body SOIC8 (WG) Package
-
Applications
-
EV/HEV Charging Piles Meet With IEC61851-23:2023 and GB/T 18487.1-2023
-
1500V/2000V/2500V HV Solar Inverter
-
1500V/2000V/2500V HV PCS
-
Uninterruptible Power Supply (UPS)
-
HV Industrial Power Supplies
-
-
Device Information
Part Number Package Package Size(NOM) CA-IS3211SCWG SOIC8-WWB 6.40 mm x 14.00mm -
Simplified Functional Diagram
-
Technical Documentation
Category
Title
Last Updated
-
Title: Datasheet
Last Updated: Jan 23,2025
-
-
Certification Standards
Category
Title
Certification Number
Date
-
Title: TÜV-EN IEC 62368
Certification Number: AK 50656801 0001
Date: Dec 26,2024
-
Title: TÜV-EN 61010
Certification Number: AK 50656808 0001
Date: Dec 26,2024
-